外科植入物用鈦合金棒鈦合金絲鈦合金板材國家標準GB/T 13810-2017
發布時間:2021-06-21 22:20:29
瀏覽次數 :
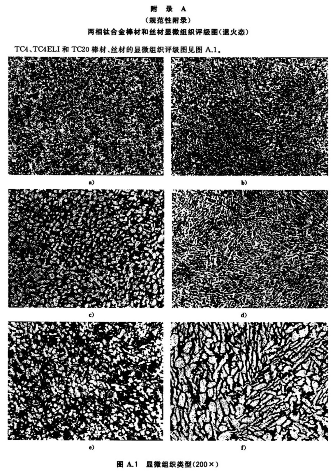
《外科植入物用鈦及鈦合金加工材(GB/T 13810-2017)》代替GB/T 13810—2007,本標準規定了外科植人物用鈦及鈦合金加工材的要求、試驗方法、檢驗規則及標志、包裝、運輸、貯 存、質量證明書和合同(或訂貨單)內容。本標準適用于外科植人物用鈦及鈦合金板材、鈦棒和鈦絲材。GB/T 13810-2017國家標準詳細內容,旭隆金屬整理如下:















無相關信息